Passer aux informations sur le produit
TD100 24-60V 100kg 10KW PWM Signal Waterproof Industrial Subsea  Underwater Thruster
1/8

TD100 24-60V 100kg 10KW PWM Signal Waterproof Industrial Subsea Underwater Thruster

Style
$2,400.00 USD $3,000.00 USD
En stock
Customization Service

We are the OEM ODM manufacturer. For bulk orders and custom solutions, please contact us at official@hobbywater.com

When will I get my order?

We prioritize fast order processing. For in-stock items, orders placed before 4:00 PM (Beijing Time) will be shipped the same day. Standard orders typically ship within one week, while customized orders require approximately 15-30 business days for production and delivery. Delivery times may vary under special circumstances.

Shipping Methods

We ship to most countries worldwide. However, please ensure compliance with your local import regulations.

  • For the USA: We offer tax-inclusive shipping options. Expedited orders are shipped via DHL, UPS, or FedEx. Note: DHL does not allow undervaluation.
  • For other countries: Tax-inclusive shipping is available upon request. Otherwise, orders will be shipped via 4PX by default.

For specific shipping requirements, please contact us in advance.

TD100 Underwater Thruster: Power and Performance Beneath the Waves

Introducing the TD100 Underwater Thruster, a high-performance, robust thruster designed to meet the rigorous demands of underwater operations. Whether for commercial, research, or recreational use, the TD100 delivers unmatched power, efficiency, and reliability.

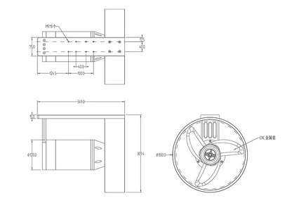
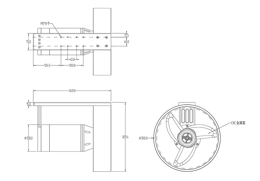
Specifications:

  • Model No: TD100
  • Dimensions: 349mm x 120mm
  • Voltage Range: DC 24V-60V
  • Rated Power: 5KW
  • Max Power: 10KW
  • Max Current: 166A
  • Max Thrust: 100kg
  • Working Depth: 100m
  • Net Weight: 17kg

Key Features:

  • High Power Output:
  • Structure: Fully sealed with comprehensive waterproof design
  • Surface Treatment: Hard anodization for seawater corrosion resistance
  • Sealing Design: Multi-layer sealing structure for complete isolation from external water
  • Maintenance: No need for freshwater rinsing in seawater environments
  • Body Material: Precision-engineered aluminum alloy
  • Propeller Size: 280mm three-blade propeller
  • Propeller Material: CNC-machined aluminum
  • Cable Diameter: 22mm
  • Cable Length: 3m

Rated at 5KW with a maximum power capacity of 10KW, the TD100 is built to deliver exceptional thrust and performance for demanding underwater tasks.

Note: This product has only been tested for 48V for the time being, the power of the motor is 10KW, if you need to reach 10KW power output, you need to increase the voltage or replace the propeller with a larger one. 

Robust Thrust Capability:

Achieve up to 100kg of thrust, ensuring strong propulsion for a variety of underwater applications, from heavy-duty industrial use to advanced scientific research.

Wide Voltage Range:

Operates efficiently within a voltage range of DC 24V-60V, providing versatility and compatibility with different power systems.

Deep Water Operation:

Designed to function reliably at depths up to 100m, the TD100 is perfect for deep-sea explorations and operations.

Durable Construction:

Engineered with high-quality materials to withstand harsh underwater environments, ensuring longevity and consistent performance.

Applications:

The TD100 Underwater Thruster is ideal for:

  • ROVs (Remotely Operated Vehicles): Providing powerful propulsion for remote underwater exploration and inspection.
  • AUVs (Autonomous Underwater Vehicles): Enhancing the performance and range of autonomous underwater missions.
  • Submersible Vehicles: Delivering reliable thrust for a variety of submersible crafts.
  • Marine Research Equipment: Supporting marine biologists and researchers in studying underwater ecosystems.
  • Underwater Inspection and Maintenance: Assisting in the inspection and maintenance of underwater structures and installations.
  • Recreational Marine Vehicles: Boosting the power and performance of advanced underwater recreational vehicles.

Why Choose the TD100?

  • Unmatched Power and Efficiency: The TD100’s impressive power output and efficiency make it a leader in underwater propulsion technology.
  • Versatility and Adaptability: Suitable for a wide range of applications, from industrial to recreational, the TD100 adapts to your specific needs.
  • Reliability in Harsh Conditions: Built to withstand the challenges of deep-water environments, ensuring reliable operation and long service life.

Upgrade your underwater operations with the TD100 Underwater Thruster. For more information or to place an order, please contact us today. Experience the difference in power and performance with the TD100.

Simple ESC Matching Guide

Voltage (V):

ESC voltage = Battery voltage (e.g., 3S LiPo = 12V, 6S LiPo = 24V).

Current (A):

ESC current ≥ Motor max current + 20-30% safety margin.

Quick Examples:12V, 20A motor → 30A ESC (or higher).

Rule: ESC can handle higher amps than needed, but never lower. Always check motor specs!